网站公告列表     中国维修资源网提供汽车维修资料,手机维修资料,电脑主板|硬盘|显示器维修资料,笔记本维修资料,家电维修资料,数码相机|摄像机|MP3|MP4维修资料,复印机|打印机|传真机|一体机维修资料,电动自行车维修资料,维修手册,电路图,视频教村,原厂资料查询购买,免费下载!  [管理员  2007年9月21日]        
加入收藏
设为首页
联系站长
您现在的位置: 维修资源网-专业提供配件目录零件图册维修手册维修资料技术图书培训多媒体课件视频教程检测仪 > 总商城 > 汽车 > 汽车维修手册 > W 五菱 > 资料信息
专 题 资 料
最 新 资 料
普通资料 奔驰CBT原厂技术培训及
推荐资料 2013汽车电路图集 汽车
推荐资料 欧美车型车系维修手册
推荐资料 汽车底盘维修技术手册
推荐资料 汽车电器维修技术手册
推荐资料 汽车发动机维修技术手
普通资料 汽车维修综合教程
推荐资料 最新汽车自动变速器原
普通资料 2006 Mitchell AAMCO 
普通资料 宝马WDS11.0_2007版
普通资料 标致206汽车原厂维修资
普通资料 标致 307汽车原厂维修
普通资料 2006一汽奔腾B70维修手
普通资料 奥迪Q7汽车原厂维修资
普通资料 上海大众波罗劲情维修
普通资料 一汽大众捷达LPG汽车维
普通资料 捷达SDI柴油车维修资料
普通资料 一汽大众捷达SDI柴油车
普通资料 2007一汽大众迈腾原厂
普通资料 大众斯柯达速派汽车原
普通资料 大众斯柯达欧雅汽车原
普通资料 大众斯柯达法比亚汽车
普通资料 雷克萨斯ES330汽车原厂
普通资料 雷克萨斯GS430-GS30汽
普通资料 华晨金杯阁瑞斯维修资
普通资料 华晨宝马新5系列维修资
普通资料 克莱斯勒300C汽车原厂
普通资料 现代雅绅特原厂维修手
普通资料 现代XG君爵原厂维修手
普通资料 2006现代FLASH格式原厂
热 门 资 料
推荐资料 2009-2013年款上汽通用五热点资料
推荐资料 2021-2020年款五菱征程汽热点资料
普通资料 2021-2020年款五菱征途汽热点资料
推荐资料 2012年款上汽通用五菱五热点资料
普通资料 2008-2013年款上汽通用五热点资料
普通资料 2021-2020年款五菱荣光新热点资料
推荐资料 2009-2013年款上汽通用五热点资料
推荐资料 2012年款上汽通用五菱五热点资料
推荐资料 2021-2020年款五菱宏光S热点资料
推荐资料 2008-2013年款上汽通用五热点资料
推荐资料 2021-2018年款五菱宏光S热点资料
推 荐 资 料
推荐资料 2022年款林肯冒险家最新资料
推荐资料 2021年款福特野马电最新资料
推荐资料 2020款广汽埃安V Ai
推荐资料 2020-2018款雷克萨斯
推荐资料 2018款雷克萨斯UX20
推荐资料 2020款雷克萨斯UX30
推荐资料 2020款奇瑞新能源大
推荐资料 2020款比亚迪腾势X插
推荐资料 2021-2020款吉利帝豪
推荐资料 2021-2020款吉利几何
固顶资料 2021款特斯拉MODEL 
推荐资料 2020款比亚迪汉DM插
固顶资料 2020款比亚迪汉EV电
推荐资料 2020款北汽新能源EC
推荐资料 2020年北汽新能源EU
推荐资料 2020款吉利几何C电动
推荐资料 2019款吉利帝豪EV50
推荐资料 2020款吉利博瑞PHEV
推荐资料 2020款比亚迪全新秦
推荐资料 2020款比亚迪秦Pro 
推荐资料 2020款比亚迪秦Pro 
固顶资料 2020款特斯拉TESLA 
推荐资料 2020款特斯拉TESLA 
推荐资料 2020款特斯拉TESLA 
推荐资料 2020款一汽大众探岳
推荐资料 2020款一汽大众迈腾
推荐资料 2020款北汽新能源EU
推荐资料 2020款北汽新能源EC
推荐资料 2020款特斯拉Tesla 
推荐资料 2019款奇瑞新能源瑞
推荐资料 2018款奇瑞新能源EQ
推荐资料 2019款东风风行S500
推荐资料 2020款丰田C-HR奕泽
推荐资料 2020款本田皓影油电
推荐资料 2020-2019款本田十代
推荐资料 2019款北汽新能源EX
推荐资料 2020款吉利ICON轻混
推荐资料 2020款林肯MKZ油电混
推荐资料 2020款林肯飞行家PH
推荐资料 2019款奇瑞捷途X70S
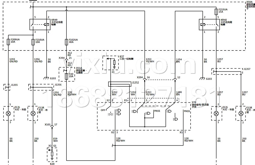
2021-2020年款五菱征途汽车维修手册带电路图资料详细资料

名 称: 2021-2020年款五菱征途汽车维修手册带电路图资料
编 号: 2016063014594039
点击数:
资料格式 资料大小
版本日期 资料语言
资料属性 热销商品 推荐等级 ★★★
资料类型 正常销售商品 发布时间 2016-6-30 14:58:24
降价折扣 限购数量
优惠期限
购物积分 0分 库存数量
赠送点券 0点 返还现金券 0
         
资料价格:市场价:¥700/套 商城价:¥700/套 会员价:¥680/套 优惠价:¥700/套
资料简介:
原厂电子资料,PDF格式,在线发送或邮箱下载
资料说明:









相关资料:

没有收藏任何资料
联 系  我 们
24小时服务电话及微信:18688127181   QQ:712720680 712720681 712720682
购买指南
网上订购 电话订购
邮寄订购
订单查询 电话查询
传真查询
商品退换 客户回访
诚信安全
网上支付 邮政汇款
银行汇款
速递安排 送货上门
普通邮寄 EMS安排
商城简介 企业文化
联系方式
QQ:712720680 712720681 712720682 手机微信同号:18688127181 Email:www@vixiu.com
Copyright© 2007-2021vixiu .com 版权所有 维修资源网 粤ICP备11034860号